
上海宣林泵阀有限公司
地址:上海市奉贤区南奉公路
联系人:杨先生 13818224919
电话:021-51393919
邮箱:sh_xlbf@163.com
网址: www.shxlbf.com
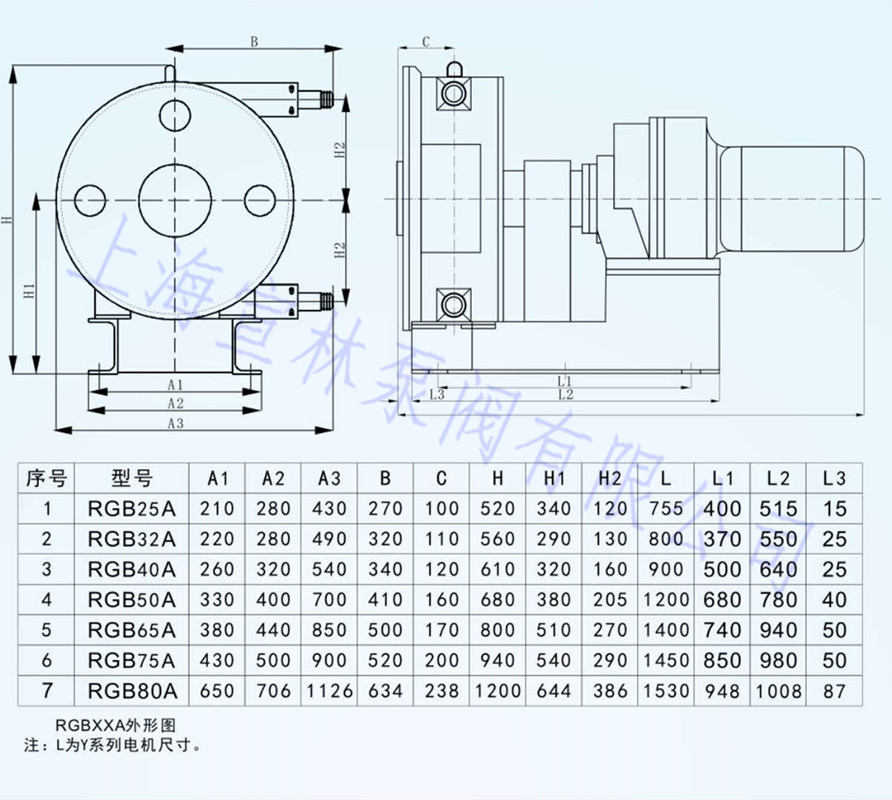
RGB50A软管泵
概 述
软管泵系列产品是一种新型、多功能、多用途工业泵,适用于化工、石油、水处理、医药、食品、冶金、采矿、选矿、建筑、建材、陶瓷、造纸等行业。
特征与用途
软管泵属容积式蠕动泵类,又称挠性管泵。该泵具有无机械密封、自吸能力强(吸程8米,不需灌泵)、自清理等特性,且结构简单,便于维护。光滑的软管空腔使其能泵吸含有杂质的流体、各种纤维物体以及颗粒直径小于1/4管径的固体浆料,不会产生任何堵塞或故障;在泵干运行时,不会发生轴封、轴承或定子故障;由于该泵的原理,还可以输送各类含气体的物料,不会发生汽蚀;输送的流体仅与胶管接触,因此,该泵能输送橡胶所能承受的腐蚀或磨蚀性介质;该泵还可以反向运转,动力消耗少,泵的总效率75%,容积效率高,总容积效率98%。此外,该泵具有很好的计量能力,可以用作计量泵。在软管泵的使用过程中,由于压辊和软管摩擦会产生热,热量的移除成了影响软管的主要因素之一。
软管泵其结构形式为全密封式,泵壳内填加润滑冷却液,延长软管的使用寿命。
工作原理
一对压辊沿着一根特制的橡胶管旋转,将胶管压扁,在管子自身弹性和侧导辊的强制下,通过管子恢复原状产生的高真空来吸入流体,然后,流体在压辊的机械挤压下从管内排出。



